myHanse.com - Hanse Yacht Owners Website myHanse.com - Hanse Yacht Owners Website myHanse.com - Hanse Yacht Owners Website myHanse.com - Hanse Yacht Owners Website

Welcome to myHanse.com the forum for Hanse Yachts owners throughout the world.

Forum Home Forum Home > Hints & Tips > 415/418
  New Posts New Posts RSS Feed - Lithium replacement.
  FAQ FAQ  Forum Search   Events   Register Register  Login Login

Lithium replacement.

 Post Reply Post Reply Page  <12345>
Author
Message
Arcadia View Drop Down
Admiral
Admiral
Avatar

Joined: 27 November 2017
Location: Sag Harbor, USA
Status: Offline
Points: 1112
Post Options Post Options   Thanks (0) Thanks(0)   Quote Arcadia Quote  Post ReplyReply Direct Link To This Post Posted: 02 October 2023 at 21:43
Also, you should have a high current cable from the alternator to the inverter for large AC loads while the engine is on.

Leon / ARCADIA
2018 Hanse 588
Sag Harbor, NY
Back to Top
SimonGH View Drop Down
Commander
Commander
Avatar

Joined: 08 September 2021
Location: CT
Status: Offline
Points: 124
Post Options Post Options   Thanks (0) Thanks(0)   Quote SimonGH Quote  Post ReplyReply Direct Link To This Post Posted: 03 October 2023 at 01:12
Ah, good catch.
As for the ground relay…. I spent the extra $ on isolated dc-dc chargers because the BMS systems on my batteries are on the negative side, so I figured it was good to keep things isolated.  But when I started sketching in the inverter I realized that if I didn’t put that relay in I would be bridging the isolation of the dc-dc chargers, so I figured I’d need it to keep it separate.  Overkill?
Nothing is installed yet but I do have all the parts…
Back to Top
Mike2145 View Drop Down
Captain
Captain


Joined: 18 October 2014
Location: Greece
Status: Offline
Points: 278
Post Options Post Options   Thanks (0) Thanks(0)   Quote Mike2145 Quote  Post ReplyReply Direct Link To This Post Posted: 03 October 2023 at 10:10
Its a shame the hardware cant be updated on the charger.  
The only things I noticed were that K1 may actually be redundant.  Connecting Vin and Vout on the DC-DC charges wouldn't be a problem, I think.  Perhaps someone with more knowledge of these could help? 
Is K4 needed? The negative side may all be common already? It was on my 415.  
The feed from the service battery is probably already fused, but not shown, so additional fuse on the mains charger to DC-DC charger may be required. 
There is the possibility that the engine could be started while on shore power so there could be a point at which the start battery is directly connected to the service battery.  You could run the negative to the ACR through a NC relay operated via SW1 for belt and braces.  
This is quite a lot of heavy duty cabling and the relay(s) will need to be pretty beefy to cope with the current for the inverter not to mention the additional fuse(s).  So a reasonable amount of work to connect the mains charger to the service battery via the DC-DC charger. From my experience, so far the AGM, setting on the mains charger settles to about 92% charge (the BMS takes care of any anomalies during initial bulk and absorption phase) for the Lithium so by keeping the cable changes to a minimum by leaving the charger directly connected to the service battery, its pretty near factory set up, I have not had an issue with this.  The short period of motoring I have when leaving shore power usually brings the service battery back to near 100%.  
Would it be worth keeping it simple first and see if the additional work is needed?  You can always make the changes later? Just a thought?

Originally posted by SimonGH SimonGH wrote:

Update - I got the Mk3-USB cable, but unfortunately my MultiPlus Compact is an earlier model with the older processor, so I can't update the firmware.
So I'm going a similar route to the OP, however I'm adding a charging & inverter contactor so I can connect the Charger/Inverter to the "feed" side of the DC-DC chargers when in charger mode, and then switch over to the LiFePo4 "battery side" with larger conductors when in "inverter" mode.  That way the new DC-DC chargers can handle the LiFePo4 charging profiles, but when I need the high current draw for the inverter, things are connected directly through to the battery...
I'll post a wiring schematic for comments.  Would love people to poke holes
thanks
Simon
Cant take a joke, don't buy a boat.
Back to Top
Mike2145 View Drop Down
Captain
Captain


Joined: 18 October 2014
Location: Greece
Status: Offline
Points: 278
Post Options Post Options   Thanks (0) Thanks(0)   Quote Mike2145 Quote  Post ReplyReply Direct Link To This Post Posted: 03 October 2023 at 10:15
Our posts crossed!  I see now you used isolated DC-DC chargers. Ignore my comment I didn't catch that.  

Originally posted by SimonGH SimonGH wrote:

Ah, good catch.
As for the ground relay…. I spent the extra $ on isolated dc-dc chargers because the BMS systems on my batteries are on the negative side, so I figured it was good to keep things isolated.  But when I started sketching in the inverter I realized that if I didn’t put that relay in I would be bridging the isolation of the dc-dc chargers, so I figured I’d need it to keep it separate.  Overkill?
Nothing is installed yet but I do have all the parts…
Cant take a joke, don't buy a boat.
Back to Top
Mike2145 View Drop Down
Captain
Captain


Joined: 18 October 2014
Location: Greece
Status: Offline
Points: 278
Post Options Post Options   Thanks (0) Thanks(0)   Quote Mike2145 Quote  Post ReplyReply Direct Link To This Post Posted: 03 October 2023 at 10:29
That is a good point, I'm not sure if the alternator/start battery would be happy about the possible load let alone the cabling/fuses.
It may be wise to add another relay to prevent this from happening, triggered from SW1 as mentioned in my earlier post, the belt and braces approach. Not adding the relays and keeping the charger directly connected to the service battery avoids this issue. Another factor to complicate the decision making process!  

Originally posted by Arcadia Arcadia wrote:

Also, you should have a high current cable from the alternator to the inverter for large AC loads while the engine is on.



Edited by Mike2145 - 03 October 2023 at 10:35
Cant take a joke, don't buy a boat.
Back to Top
SimonGH View Drop Down
Commander
Commander
Avatar

Joined: 08 September 2021
Location: CT
Status: Offline
Points: 124
Post Options Post Options   Thanks (0) Thanks(0)   Quote SimonGH Quote  Post ReplyReply Direct Link To This Post Posted: 03 October 2023 at 11:38
With regards to the inverter running off the alternator, isn’t that how it is currently connected?  I intend on reusing most of the existing wire, I believe the cable running from the engine bay to the batteries through the ACR is pretty beefy.  

I wonder now if I need K1.  If the engine is off and the charger is in inverter mode, then nothing is happening on the Vin on the dc-dc chargers anyway.  I am assuming that they don’t run backwards (I.e. Vout feeds Vin)…

So I could simply move that to disconnect the inverter from the alternator instead…?

Back to Top
Mike2145 View Drop Down
Captain
Captain


Joined: 18 October 2014
Location: Greece
Status: Offline
Points: 278
Post Options Post Options   Thanks (0) Thanks(0)   Quote Mike2145 Quote  Post ReplyReply Direct Link To This Post Posted: 03 October 2023 at 12:07
The inverter will be connected to the alternator directly currently but also to the service batteries.  The service batteries will supply the required current when the alternator reaches its maximum.  However, the new set-up removes the service battery leaving only the start battery and alternator to take the load. I doubt the cabling/fusing is capable of supporting this and its probably not something I would like to do in any case given the loads involved and the strain on the alternator.  Don't forget that at 2KW the draw at 12v would be over 160A.  I would make sure that in the proposed configuration the inverter is prevented from drawing exclusively from the alternator and start battery.  Because of the setup you effectively prevent the use of the inverter with engine on.  It would be possible to add another set of heavy duty relays for this but its getting complex.
Something else to consider is that you may forget to switch off SW1 with the current setup, as I mentioned , connect the service batteries direct to the alternator but if this is locked out with an additional relay for safety, forgetting to switch off prevents the service batteries from charging.  Not a big problem but another thing to consider. Anything that needs manual intervention will always fail at some point. (Don't ask me how I know this!)
It will be a lot simpler, and almost cheaper with labour and components, to replace the inverter charger with one that supports Lithium if using the AGM setting isn't sufficient to meet your needs rather than a lot of additional complexity. I would still be tempted to keep the current charger directly connected and see how you get on. You might even be able to 'tinker' with the AGM profile a little in the software to make it a little more compatible?
Would be really interested to see what you decide and how you get on as I'm considering adding a bigger inverter to replace the factory 350W unit. So inverter or new charger inverter will be my next decision. 




Originally posted by SimonGH SimonGH wrote:

With regards to the inverter running off the alternator, isn’t that how it is currently connected?  I intend on reusing most of the existing wire, I believe the cable running from the engine bay to the batteries through the ACR is pretty beefy.  

I wonder now if I need K1.  If the engine is off and the charger is in inverter mode, then nothing is happening on the Vin on the dc-dc chargers anyway.  I am assuming that they don’t run backwards (I.e. Vout feeds Vin)…

So I could simply move that to disconnect the inverter from the alternator instead…?

Cant take a joke, don't buy a boat.
Back to Top
SimonGH View Drop Down
Commander
Commander
Avatar

Joined: 08 September 2021
Location: CT
Status: Offline
Points: 124
Post Options Post Options   Thanks (0) Thanks(0)   Quote SimonGH Quote  Post ReplyReply Direct Link To This Post Posted: 03 October 2023 at 14:30
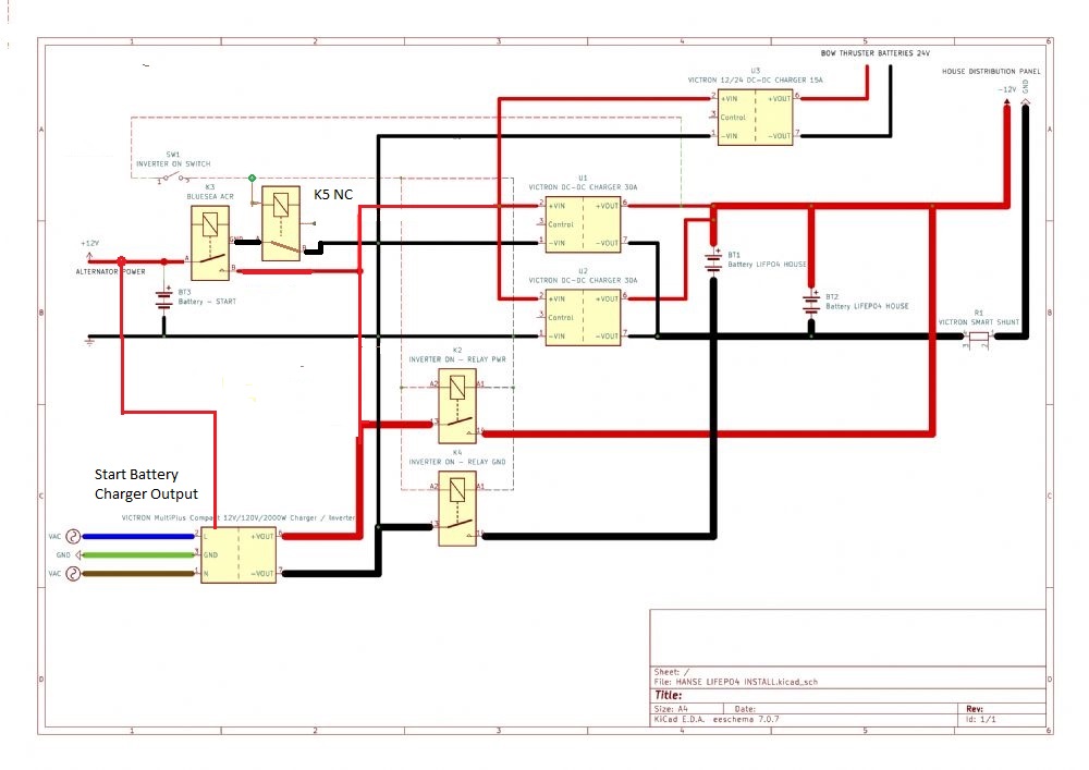
Here's the original wiring currently in the boat.  The inverter/charger is already connected to the alternator & start battery through the ACR.  So not sure what changes when I put the LiFePo4 batteries in with the chargers.  When in "inverter" mode, the setup is effectively the same, because the DC-DC chargers are disconnected and the large contactors connect the inverter directly through the batteries.  The Alternator/Start battery/ACR connections remain the same, and it currently works correctly (this was the original layout from HANSE...

Am I missing something?
diagram
Back to Top
SimonGH View Drop Down
Commander
Commander
Avatar

Joined: 08 September 2021
Location: CT
Status: Offline
Points: 124
Post Options Post Options   Thanks (0) Thanks(0)   Quote SimonGH Quote  Post ReplyReply Direct Link To This Post Posted: 03 October 2023 at 14:38
This is with the Inverter "ON".  The stuff in the grey box is inop, and the big contactors just reconnect the batteries to the inverter.  I'm a mechanical engineer, so this is somewhat mysterious to me... but does this make sense?
The only difference here is that the 12/24 DC-DC charger is also disconnected in Inverter mode, so there is a risk that if I leave it on then it won't get charged.

I have it shown here as a discreet switch.  I'm looking to see if there is a way i can trigger it from the same control panel as the inverter/charger, so it works automatically when the VEBus panel is switched to inverter.  

I'll also add that my use case is different - I spend a lot of time at Marinas plugged in, so that's why i wanted to make sure when on shore power the LiFePo4 batteries were being charged correctly...

diagram

Edited by SimonGH - 03 October 2023 at 14:42
Back to Top
Mike2145 View Drop Down
Captain
Captain


Joined: 18 October 2014
Location: Greece
Status: Offline
Points: 278
Post Options Post Options   Thanks (0) Thanks(0)   Quote Mike2145 Quote  Post ReplyReply Direct Link To This Post Posted: 03 October 2023 at 15:49
I think that this is what you're trying to achieve.  This ensures that the invertor can't draw from the start/ Alternator side only, it also prevents the start/alternator side being directly connected to the Lithium Service battery. You will need to use the dedicated start battery output from the charger rather than common up the main output for both service (via DC-DC) and start. 
K5 just needs to be a low power relay.  A standard automotive one would be fine as its not handling any significant current.  It will effectively switch off the ACR (K3) when SW1 is on isolating the inverter and lithium's from the start and charger side when the engine is running.
Is the switch SW1 part of the charger/inverter? If not then there is still a possibility of the inverter drawing from only start and alternator if you forget to switch it on prior to using any significant draw on the inverter.  It would probably be OK as I suspect the inverter will just shut off with low input voltage but its not ideal. 
Cant take a joke, don't buy a boat.
Back to Top
 Post Reply Post Reply Page  <12345>

Forum Jump Forum Permissions View Drop Down

Forum Software by Web Wiz Forums® version 12.06
Copyright ©2001-2023 Web Wiz Ltd.

This page was generated in 0.191 seconds.

Links : www.hanseyachts.co.uk www.hanseyachts.com www.fjordboats.co.uk www.dehler.co.uk www.varianta.co.uk